亚洲va综合va国产va中文Iwww操操I国产在线观看91I国产亚洲片I国产丝袜美腿在线I黄色精品在线看I免费观看成人I天天躁天天狠天天透

?
首頁
公司介紹
新聞中心
組織機構
服務理念
售后服務
聯系我們
產品中心
jtgk.png

產品中心

FQ41F46襯氟放料球閥

您的位置:閥門 - 放料閥 - FQ41F46襯氟放料球閥 更新時間:2026-03-31 08:03:31
FQ41F46襯氟放料球閥
    • 質量安全:壓力、材質、密封等全方位檢測確保質量過關!
    • 價格比較:在相同品質的情況下,廠里直銷,更具有優勢!
    • 交貨快捷:常規產品現貨供應,生產加工銷售一條龍服務!
      上海凱利科閥門致力于高品質閥門的設計、研發、生產銷售服務于一體的大型閥門企業,科技創新,永不止步,與您攜手共創輝煌...

    • 產品描述
    • 在線詢價
    • 技術咨詢
    FQ41F46襯氟放料球閥FQ41F46襯氟放料球閥

    FQ41F46襯氟放料球閥適用在-50℃~150℃的各種濃度的水、硫酸、鹽酸、氫氟酸和各種有機酸、強酸、強氧化劑,FEP還適用于各種濃度的強堿有機溶劑以及其它腐蝕性氣體、液體介質的管路上使用。

    產品名稱: 襯氟放料球閥 產品型號: FQ41F46
    公稱通徑: DN25~DN200 結構形式: 球形
    公稱壓力: 1.6MPa~2.5MPa~4.0MPa 連接方式: 法蘭
    適用溫度: -29ºC~+180ºC 驅動方式: 手動、氣動、電動
    閥體材質: 鑄鋼、不銹鋼 制造標準: 國標GB、德國DIN、美國API、ANSI
    適用介質: 水、液體、顆粒狀顆粒等 生產廠家: 上海凱利科閥門有限公司

    產品說明

    FQ41F46襯氟放料球閥適用在-50℃~150℃的各種濃度的水、硫酸、鹽酸、氫氟酸和各種有機酸、強酸、強氧化劑,FEP還適用于各種濃度的強堿有機溶劑以及其它腐蝕性氣體、液體介質的管路上使用。

    產品特點

    1、采用氟塑料襯里層的球閥,具有極高的化學穩定性,適用于任何強腐蝕性化學介質;
    2、采用全通浮動球閥結構,在整個壓力范圍內進行元泄漏關閉,便便于管路系統在通球掃線和管路維護;
    3、流體阻力小,襯里球閥內壁光滑,流道通暢是所有閥類中流體阻力最小的一種。
    4、.開關迅速、方便,只需將球體旋轉90°,便完成開戶和關閉動作;
    5、采用特殊模壓工藝,將襯里材料襯于閥門殼體內壁,能耐強酸、強堿介質的腐蝕。襯里球面與PTFE閥座組合,密封性好,達到了零泄漏;
    6、可配置氣動、電動、液動等多種驅動裝置,實現遠距離控制和自動化操作;
    7、球體與閥桿融為一體,消除了轉動角差,杜絕了因壓力變化引起閥桿沖出體外的危險,保證了使用的安全性、可靠性;

    襯里材料

    聚三氟乙烯 PCTEF (F3) 適用介質:各種有機溶劑,無機腐蝕液(氧化性酸類) 使用溫度:-195~120特點:耐熱性,電性能和化學穩定性僅次于F4,機械強度,蠕變性能,硬度比F4好些
    聚全氟乙烯FEP (F46) 適用介質:任何有機溶劑或試劑,稀或濃無 機 酸,堿,酮,芳烴,氯化烴等。使用溫度: -85~150特點:力學,電性能和化學穩定性基本與F4相同,但突出優點是動擊韌性 高,有極好的耐候性和輻射性。
    聚烯烴PO 適用介質:各種濃度的酸堿鹽及某些有機溶劑。
    使用溫度:-58~80特點:是目前世界最理想的防腐材料,已廣泛用于旋轉成型的大型設備和管道件內襯。
    聚偏氯乙烯 PVDF(F2) 使用介質:耐大多數化學藥品和溶劑,使用溫度:-70~100特點:拉紳強度與壓縮強度比F4好,耐彎折,耐候,耐輻射。耐光和老化等,最大特 點是韌性好,易成型?!?/td>
    聚四氯乙烯 PTFE(F4) 使用介質:強酸,強堿,強氧化劑等。使用溫度:-200~180特點:具有優異的化學穩定性,有很高的耐熱性,耐寒性,磨擦系數很低,是極好的 自潤滑材料,但機械性能較低,流動性差,熱膨脹大。
    聚氯乙烯: 硬質)PVC 適用介質:耐水,濃堿,非氧化性酸,鏈烴,油和臭氧等。使用溫度:0-55特點:機械強度較高,化學穩定性及介電性能優良,耐油性和抗老性也較好,易熔接及粘合,價格較低。
    聚丙烯: RPP 適用介質:無機鹽類的水溶液,無 機 酸類,堿類的稀或濃溶液。使用溫度:-14~80特點:最輕的塑料之一,其屈服,拉伸和壓縮強度,硬度均優于低壓聚乙烯,有很突出的剛性,耐熱性好,易成型,優廉。改性后動擊性,流動性,彎曲彈性。

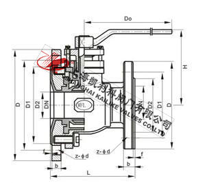
    外形結構圖

     

    主要外形尺寸

    公稱通徑 PN1.6(MPa) 主要外形尺寸和連接尺寸 (mm) 重量
    DN L D D1 D2 f b z-φd D0 H kg
    32 140 135/160 100/130 78/115 3/3 18/20 4-φ14/4-φ18 200 130 9
    40 160 145/185 110/150 85/125 3/4 18/22 4-φ18/4-φ18 230 135 15
    79 標 50 170 160/205 125/170 100/140 3/4 20/24 4-φ18/4-φ18 250 140 18
    80 200 195/245 160/200 130/175 4/5 22/26 4-φ18/8-φ18 300 205 35
    69 標 50 170 160/230 125/190 100/140 3/4 20/24 4-φ18/8-φ14 250 140 18
    80 200 195/245 160/210 130/175 4/5 22/26 4-φ18/10-φ14 300 205 35
    100 280 215/280 180/240 150/210 4/5 24/28 8-φ18/8-φ23 350 230 44
     

    聲明:【FQ41F46襯氟放料球閥】規格型號、結構尺寸由上海凱利科閥門有限公司提供,如何選擇適用的FQ41F46襯氟放料球閥產品,使之在工藝控制中安全可靠、經濟適用,可致電我司銷售部門及技術部門,我們將在最短的時間內為您解答!

    ?

    Copyright ?2011-2023 上海凱利科閥門有限公司,版權所有。 滬ICP備11046016號-29 網站地圖

    銷售電話:021-31001158

    手機號碼:13816746668 陳國輝/經理

    電子郵件:klkvalves@126.com@126.com

    主營產品:球閥,閘閥,蝶閥,截止閥,止回閥,調節閥

    本周熱門:不銹鋼阻火器,全天候呼吸閥氣動球閥,氣動蝶閥,氣動刀閘閥,氣動調節閥,電動球閥電動蝶閥電動刀閘閥,電動調節閥不銹鋼球閥,不銹鋼閘閥,不銹鋼截止閥,不銹鋼止回閥不銹鋼電磁閥,高壓電磁閥,高壓球閥,波紋管截止閥

    官方網址:www.whhpwx.com